공업용 제품

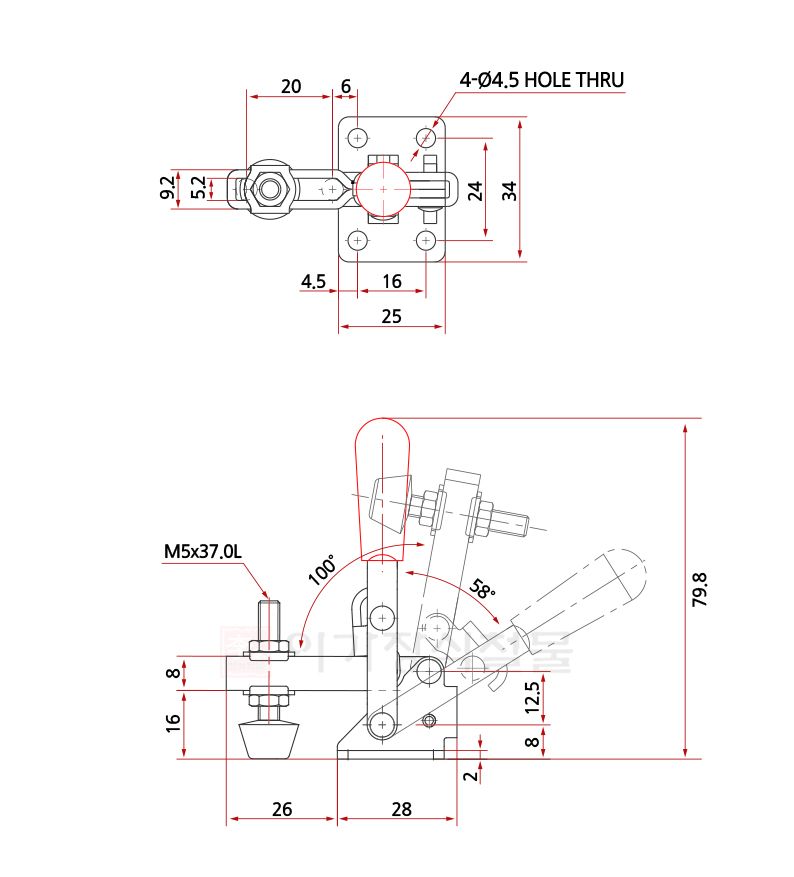
005-11F / 005-11FS

재질 : 005-11F : 철(Steel), 005-11FS : 스테인리스

표면처리 : 005-11F : 아연 도금, 005-11FS : 바렐 연마

제품정보 : Vertical Type

본문

 

 

62d04-682fee0ed3ae6-38a5ee8487708347007da92e4aa541e567212492.jpg

 

62d04-682fee1375497-08e00f7665e7a7c1490f0c900c3dfadf80fca287.jpg