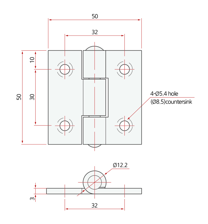
공업용 제품

스텐 3.0T 50x50

HIS-3050-50

재질 : 스테인리스(SUS304)

표면처리 : 바렐연마

제품정보 : 홀 유, 무

본문

 

62d04-69c385092b616-f279f018bc77a50beba9f33060368b2f724be05e.jpg

 

(오차 있을 수 있으니 선구매 후 치수 확인하고 타공하여 사용 요망)