공업용 제품

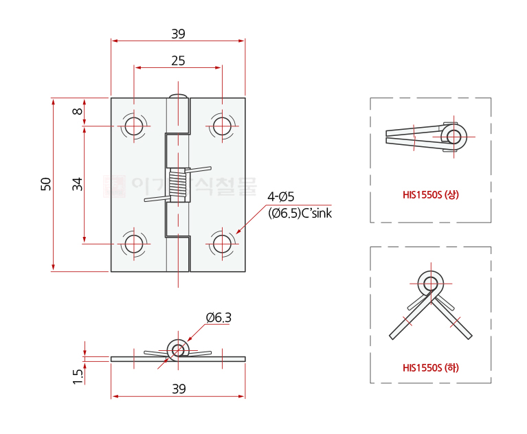
HIS-1550S

재질 : 스테인리스(SUS304)

표면처리 : 바렐연마

제품정보 : 닫힘(상), 열림(하)

본문

62d04-69c1f6ef57d56-abe883542aa91002df9c8612272f1f7101fbc4ed.jpg